首页 > 行业资讯 >无刷电机
TECHNICAL SUPPORT

泵控型液压舵机工作原理:油液方向流量决定舵角

发布时间: 2026-04-28

01泵控型液压舵机的基本原理

当一艘万吨级船舶处于狭窄航道且需要紧急转向时,在船长转动舵轮的那个时刻,舵机于1秒内输出数吨米的扭矩,进而推动几十吨重的舵叶进行偏转,而这种具备快速、大力特点的转向动作,在绝大多数大型船舶上,是要由“泵控型液压舵机”来完成的。

总而言之,那个泵控型液压舵机的关键原理在于,要借助改变液压泵之中排油之方向还有流量,进而于直接的程度上去掌控舵叶的转向的具体角度以及转动的相应速度。它不像叫作 “阀控型” 的那样,依靠换向阀去切换油路哟而是源于一台如同轴向柱塞式变量泵这般子的双向变量泵,决定这个油朝着哪一边去流动,流动的量是多少。当泵的斜盘处在零位之际,不会进行排油,此时舵叶不会产生动作;要是斜盘朝着正方向产生偏转,那么液压油会驱动执行机构,促使舵叶朝着一舷进行转动;而倘若斜盘朝着反方向发生偏转,舵叶就会朝着另一舷转动。斜盘的偏转角度越大,在单位时间内的排油量就越大,舵叶转动的速度也就越快。

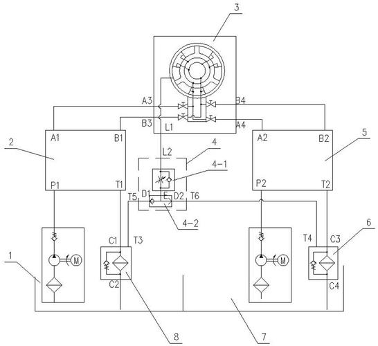
一、泵控型液压舵机的三大核心组成部分

要彻底理解其原理,先认清它的三个基本部分:

组成部分 核心作用 典型形式
控制与驱动单元 接收操舵信号,改变变量泵的排量方向和大小 双向变量泵(手动伺服变量/电液比例变量)
执行机构 将油液的液压力转换为机械力矩,推动舵叶 转叶式油缸或柱塞式油缸
反馈机构 将舵叶实际位置传回,与指令位置比较,消除偏差 机械连杆反馈或电气传感器反馈

有这样一个情况,指令发出,这是第一步,接着变量泵供油,这是第二步,然后执行机构带动舵叶进行动作,这是第三步,之后反馈装置会比较实际舵角与指令舵角的情况,这是第四步,要是偏差不为零,那么变量泵会继续供油调向,这是第五步,一直到偏差为零的时候,泵就会自动回中停油,这是第六步,这三者共同构成一个闭环随动系统。

二、逐步骤解析:一次完整的转向动作是如何完成的?

以船向右转舵为例(舵叶向左偏转):

1. 进行操舵指令的输入之时,驾驶员要去转动舵轮,或者按下自动舵设定按钮,以发出那种“右舵10°”的电信号,或者发出该“右舵10°”的机械位移信号。

2. 变量泵会有斜盘的动作发生:此信号先历经放大,之后从而去驱动变量泵的伺服机构,促使斜盘朝着某一个方向倾斜出一个角度。举例来说,斜盘从处于零位的状态正向倾斜5°。依据液压泵的工作原理,斜盘倾斜的方向能够决定油液流出的方向,也就是高压侧处于哪一侧,而倾斜角度的大小致使决定每转排出的油液体积,也就是流量。

3. 变量泵开始工作,将油液输送至执行机构,从A口排出高压油,在B口吸入低压油,高压油经管路进入以执行油缸的一侧为例诸如左腔的地方,推动活塞或者转子朝着一个方向运动,另一侧的低压油被推回到泵的B口。

泵控型液压舵机的基本原理_泵控型液压舵机系统_液压舵机的作用是什么

4. 舵叶出现偏转情况:有执行机构,好比是一个转叶式油缸,其转子直接联接舵杆,因液压力产生作用,致使作为转子带动舵叶朝着规定方向转动,在这个时候舵叶着手向左偏,船舶则向右转。

5. 在舵叶进行转动之际,反馈机械连杆或者角度传感器会将实际到达的舵角数值送回到变量泵的控制部位,当实际舵角达到了10°的时候伟创动力,反馈信号与指令信号相互抵消,变量泵位于自动的状况之下被拉回到零位,也就是停止进行供油,最终使得舵叶停住

6. 保舵情形是这样的,液压油具备不可压缩的特性,变量泵回中之后,其油口处于封闭状态,在此状况下,油缸里面的油液被锁定住了,舵叶稳稳当当地维持在10°的位置,哪怕有外部水流的冲击,也不会出现跑舵的情况。

7. 假如要进行反向回舵,在有需回舵至0°的时候,驾车的人员给出“0°”这样的指令,变量泵斜盘按照这样的情况反向倾斜,A口转变成为吸油口,B口转变成为排油口,由此呈现的油液状况会反向驱动执行的机构,借此,舵叶转而朝着中位回转。

整个过程呈现出连续的状态,保持着平稳的态势,不存在换向冲击的情况。这便是泵控型舵机被广泛应用于大型船舶的根本缘由,其天生为大功率,频繁进行起停以及换向这类工况所适配。

三、为什么泵控型比阀控型更适合大型船舶?

在实际的船舶运用当中,常常会见到这样一种情形:有一艘十万吨级别的油轮驶入港口,它需要接连多次地进行左右方向小角度的航向修正。假设采用阀控型舵机(也就是定量泵加上换向阀这种类型),那么每一次进行换向操作的时候,都会产生压力方面的冲击,油液发热的速度很快,并且换向阀在大流量的状况下能耗是比较高的。然而,泵控型舵机却展现出三项关键的优势:

不存在节流方面的损失,能量消耗较低:泵控系统借助改变泵的排量达成速度调节,不存在溢流以及节流损耗,倘若处于大舵角、高频次操作的情形时,节能效果极为显著。

变量泵斜盘跨越零位时,换向冲击小,寿命长,其阀控油流方向平稳反转,避免因阀控突然关闭或开启造成水锤效应,过程是渐变的。

响应速度跟功率相匹配,变量泵的伺服机构能够在零点二至零点五秒的时长内,达成从最大正向流量转变至最大反向流量的切换操作,进而满足大型船舶对于急转舵的需求。

在当下,国际海事组织(IMO)以及主要船级社(像CCS、ABS、DNV)的规范里头,针对于舵柄处扭矩大于20kN·m的船舶而言,泵控型液压舵机是主流的标准配置(出处为:《钢质海船入级规范》第3分册,中国船级社,2024版,第5章第2节)。

四、典型常见疑问解答

Q1:泵控型舵机停舵后,为什么舵叶不会因为水流冲击而自己偏转?

液压舵机的作用是什么_泵控型液压舵机系统_泵控型液压舵机的基本原理

在变量泵回到零位之际,两个油口才会被泵内部的配流盘做以封闭处理、这般之下,执行机构的油腔那时会充满液压油,于液体不可产生压缩且不存在有无泄漏通路的状况里,舵叶由此被液压锁死,唯有当变量泵重新进行倾斜供油时,锁止状态这般才会解除开来。

Q2:如果舵叶受到极大的外力冲击(比如撞到沉船),会损坏泵吗?

A:不会,泵控系统常常配备安全阀就是过载阀,若是出现被异常外力施加致使油腔压力超越设定数值,一般设定值为系统工作压力的1.25倍数,安全阀便会开启开展卸压操作,以此保护管路和泵体,若是外力消退后,只要变量泵处于零位置状态,舵叶就会自己返回到原位置附近,这取决于系统的弹性形变情况。

Q3:泵控型舵机可以手动应急操舵吗?

A:行得通。多数商船于变量泵控制之处设有手动应急手柄或手轮,经由直接机械推动斜盘以对排油方向亦或是流量按照动手调节。然而存在明确规定:应急手动操控舵之时全行程转换所需时间不可超过60秒(出处:SOLAS公约第II 1章第29条伟创动力舵机,2022年综合文本)。

五、核心观点重申

泵控型液压舵机有着这样的本质,那就是通过“控制变量泵的排油方向与流量”这一动作,同时达成了传统阀控系统里换向阀、节流阀、溢流阀三个元件所具备的功能。它借助斜盘偏转方向来决定舵叶转向,依靠斜盘偏转角度来决定舵叶转动速度,并且在反馈闭环的状况下达成精确停舵。在大型船舶、高负荷、频繁转向的场景当中,这理所当属泵控型舵机几乎是唯一选择的缘由。

行动建议

1. 要是你身为轮机管理人员,于日常检查这一过程里,着重去瞧瞧变量泵斜盘伺服机构出现泄漏这种状况有没有以及响应迟缓这件事行不行。历经每三个月就开展一回全行程操舵试验(也就是从左满舵一直到右满舵),记载从零位起始直至最大舵角所需要耗尽的时间,这个耗费时间不超出28秒(此为大型船舶的标准要求)。

2. 倘若你身为船舶设计工作者或者是船舶设计学习者,那么请牢记泵控系统方面的参数匹配公式,在这个公式中,转舵速度的单位是度每秒,其计算方式为变量泵最大流量的单位是升每分钟与之相乘理论转舵系数之后,整个结果再除上单侧油腔容积的单位是升得到的值,此公式乃是进行选型计算时最为关键核心的要点。

3. 要是你碰到需要进行故障排查的情况,在舵机出现转动状况但速度迟缓这一现象当口,先别忙着去更换泵,而是要先去查看斜盘能不能够抵达最大摆角。通常出现状况的缘由是伺服油路出现堵塞或者斜盘的限位螺钉发生松动,而并非泵的本体出现损坏。

谙熟泵控型液压舵机之原理,不但可使你明晰一张液压系统图,还能够使你于船舶实际操控以及维护里头,迅速定位超90%的舵机异常。请牢记此言:油朝何处流淌,舵便朝何处转动;流淌得有多迅速,转动得便有多迅速;泵归返至中位之际,舵便被锁定。下次当你伫立在驾驶台目睹舵角指示器安稳停歇于某个刻度之时,你所目睹的恰是泵控原理在发挥着作用。

为所有产品提供动力单元

联系伟创动力产品专家,为你的产品推荐合适的驱动系统所需部件。

发送邮件
在线留言
WhatsApp
+86 0769 8399 3238
 
kpowerMap