首页 > 行业资讯 >减速电机
TECHNICAL SUPPORT

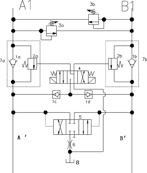
船用舵机液压专用阀工作原理图:看懂这张图就懂了舵机控制

发布时间: 2026-04-02

船舶使用的舵机液压系统伟创动力,借助专用阀组把控油液的流向以及压力,借此推动舵叶进行转动。对于船员而言,还有维修人员来讲,领会液压专用阀的工作原理示意图,属于排查舵机故障、保障航行安全的关键技能。下面依据常见船舶的实际布置情况,以通俗的方式剖析这张图。

01阀组在系统中的位置——先看整体

一张完整的,用于船用舵机的,具备液压功能的专用阀工作原理图,一般情况下,会涵盖:主油泵伟创动力舵机,辅油泵,三位N通换向阀,溢流阀,安全阀,锁阀,节流阀,还有执行油缸。液压油在从油泵输出以后,要历经阀组控制,最终会进入到两个呈现对称状态的油缸,或者转叶式执行机构,进而推动舵柄

常见事例:一艘具备万吨级规模的货船,于进出港口之际频繁进行操舵操作时,出现了舵机响应滞后的状况。轮机员依据原理图展开检查,经查看后发觉,三位N通换向阀的先导阀滤网发生堵塞,致使换向无法达到规定位置——此情形恰是在看懂原理图之后能够迅速确定问题所在的典型情境。

02专用阀组各元件的作用——对应图中符号

元件 原理图中的常见符号特征 实际功能
三位N通换向阀 三个方格,中间格为P、T、A、B连通 控制油缸进油方向,决定左舵或右舵
溢流阀 弹簧+锥阀符号,并联在主油路 限制系统最高压力,防止过载
安全阀(防冲击阀) 两个单向阀+一个节流孔的组合符号 受外力冲击时泄压,保护管路
锁阀(液压锁) 液控单向阀符号,通常成对出现 舵叶受波浪冲击时保持位置不晃动
节流阀 带有节流口符号 调节油缸运动速度,实现平稳操舵

03工作原理图的动态过程——分三个状态理解

状态1:静止(中位)

船用舵机液压专用阀工作原理_阀控型液压舵机工作原理图_船用舵机液压专用阀工作原理图

把换向阀调整到处于中位的状态,油泵输送过来的油液经由阀的中位直接返回油箱,致使系统进入卸荷状态。两个油缸的进出口都被锁阀封闭起来,舵叶维持在原来的位置。存在常见故障案例,某船在停泊的时候舵叶自行出现漂移现象,借助原理图进行排查后发现锁阀内部的单向阀钢球出现磨损情况,从而无法实现保压。

状态2:右舵操作

那开启先导电磁阀门使其处于通电状态,三位N通换向阀门来进行换向操作直至到达右位,压力油会经由P口,再到A口,并通过锁阀,进而流至油缸右腔,左腔回油则是经锁阀,再由B口反流至T口,最终回到油箱,就这样油缸活塞杆会伸出,从而推动舵柄朝着右边转动,溢流阀所划定的压力一般是泵额定压力数额的1.1倍。

状态3:左舵操作

换向阀进行换向操作到左位,压力油进入油缸左腔,油缸右腔进行回油操作使活塞杆缩回,从而带动舵柄向左转动,在图当中需要对节流阀的作用予以注意,倘若关闭得过小的话势必会导致舵叶转动速度过快进而引发水击现象,某一艘渔船曾经就是因为这个缘故致使管路接头崩裂了。

04看懂原理图的三个关键检查点

1. 被细实线标注的先导控制油路,换向阀的先导油的来源是不是主油路呢?大多数的设计会增添微型滤器,倘若堵塞就会造成阀无法动作。

2. 双安全阀组,也就是两个并联着的单向节流阀,在原理图里,通常是画于油缸的俩腔之间的。当舵叶遭受浪的冲击之际,一侧的油压会升高,此时油液经由安全阀溢流到另一腔,以此来避免出现超压的情况。

阀控型液压舵机工作原理图_船用舵机液压专用阀工作原理图_船用舵机液压专用阀工作原理

3. 应急操舵采用旁通方式(借助手动泵或者截止阀来达成),在原理图里一般会运用虚线框去标注“应急”这个字样。有一艘散货船曾经出现了主油泵故障的状况,船员依据原理图找出旁通阀并把它切换到应急手摇泵那里,之后就成功地进入了港口

05重复核心观点

工作原理图里,船用舵机液压专用阀的关键在于“阀控制油液去向这点”,三位N通阀起到决定方向的作用,溢流阀用于限制压力,锁阀负责保持位置,节流阀能够调节速度。任何不符合这张图的故障排查,都不容易精准找出问题所在。需将每个符号和实物逐个对应起来,才可以实实在在地掌握舵机液压系统的控制逻辑。

06行动建议

1. 凭借船舶说明书,或者从图纸堆里,找出你的舵机液压原理图,对照本文给出的元件功能表,再用彩笔,标注油路走向,打印出来并对照。

2. 模拟故障进行练习,设定“换向缓慢”这一常见故障,设定“不保压”这一常见故障,设定“单方向无力”这一常见故障,于原理图之上追踪具备可能失效情况的阀件,之后到机旁进行核实。

3. 定期对先导滤器予以清洗,依据图里先导油路所处位置,每500小时进行一回清洗,如此能够避免超过80%的换向阀卡滞故障发生。

4. 制作紧急情况下才会用到的卡片:把原理图里的应急旁通油路单独描绘为小小的卡片,将其粘贴在舵机的旁边,以此保证任何负责值班的船员都能够依据图示进行切换。

为所有产品提供动力单元

联系伟创动力产品专家,为你的产品推荐合适的驱动系统所需部件。

发送邮件
在线留言
WhatsApp
+86 0769 8399 3238
 
kpowerMap