本网站使用Cookie来确保您获得最佳体验。继续浏览本网站即表示您同意我们使用Cookie。了解更多关于Cookie的使用和隐私政策。
产品中心
舵机
无刷电机
减速电机
定制驱动模组
高性能无刷舵机
高压空心杯舵机
智能机器人舵机
数码标准舵机
微型迷你舵机
扁舵机 矮舵机
超大扭矩舵机
IP67防水舵机
485&CAN总线舵机系统
EC 无刷电机
无人机动力电机
准直驱机器人关节电机
无刷云台电机
无刷轮毂电机
行星减速电机
正齿减速电机
无刷丝杆电机
定制减速电机
智能家居舵机
消费电子舵机
车载运动机构
工业自动化电机
医疗器械电机
解决方案
"创新是企业的生命,伟创动力在未来将会不断为社会提供更多伟大的创新服务!"
智能家居
无人机
机器人
汽车电子
消费电子
工业自动化
科学农业
新闻资讯
"现在是一个井喷式科技时代,伟创动力也要时刻紧跟时代的脉搏,不断为未来科技做好准备!"
客户案例
展会活动
企业动态
行业资讯
技术支持
关于我们
“企业和行业都会面临困境和痛点,每个阶段大家既是竞争也是帮衬,时代的脚步需要互相推动!”
认识伟创动力
技术创新
精益智造
品质保障
定制服务
联系我们
English
China-中文简体
{notrans} {/notrans}
{notrans}
China-中文简体
{/notrans}
Cancel
Products
舵机
高性能无刷舵机
高压空心杯舵机
智能机器人舵机
数码标准舵机
微型迷你舵机
扁舵机 矮舵机
超大扭矩舵机
IP67防水舵机
485&CAN总线舵机系统
无刷电机
EC 无刷电机
无人机动力电机
准直驱机器人关节电机
无刷云台电机
无刷轮毂电机
减速电机
行星减速电机
正齿减速电机
无刷丝杆电机
定制减速电机
定制驱动模组
智能家居舵机
消费电子舵机
车载运动机构
工业自动化电机
医疗器械电机
隐私政策
使用条款
产品中心
舵机
无刷电机
减速电机
定制驱动模组
ODM/OEM 服务
解决方案
智能家居
无人机
机器人
汽车电子
消费电子
工业自动化
科学农业
首页
>
行业资讯
>
无刷电机
Kpower Drive Product Matrix
Servo | BLDC | Gear Motor | Custom Drive Unit
More Details
Leading R&D Capabilities
End-to-end drive module solutions with customization for end-user applications.
More Details
Smart Vehicle Cabin
Micro Drive Systems in the central control screen, ceiling screen, cockpit speaker, DMS/OMS camera
More Details
今日焦点
搜索
舵机
无刷电机
减速电机
定制驱动模组
船舶液压舵机故障维修视频教程 一看就懂轻松排查
无需担忧,现今于网上存在着诸多船舶液压舵机的故障以及维修视频,依照视频一步步操作,许多常见问题你同样能够轻而易举地予以解决。好的视频会将故障现象分类,诸如“舵机转向慢”,“舵机有异响”,“舵机跑舵”等。瞧瞧这些之后,你会不会也认为船舶液压舵机的故障查排并非如设想中那般困难了呢?
2026-03-26
无人机舵机是干嘛的 选错它你的飞机可能飞不稳
舵机对无人机有多重要无人机舵机怎么选哪些行业离不开好舵机要是具备条件,用舵机测试仪单独测一回,很快便能锁定问题。记住,带着“病”飞行是非常忌讳的,提前发觉并更换,远比飞机摔了之后再懊悔要合算得多。唠了这般许多,想来你对于无人机舵机已然存有了一份明晰的认知。
2026-03-26
双轴舵机云台有啥用 别让你的产品输在“稳”上
然而双轴舵机云台,它就好比给设备安装上了脖子以及腰,能够同时对俯仰与横滚这两个方向加以控制。当下成熟化的双轴舵机云台,设计层面极为模块化。它跟单轴舵机云台比强在哪双轴云台则不同,恰似脚下生有吸盘,前后左右各个方向均能够保持稳定。至此,你对于双轴舵机操控云台,想必已然存有一较为明晰...
2026-03-25
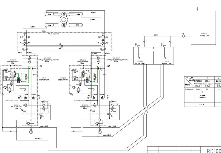
液压舵机故障分析图 新手也能快速上手的排查指南
故障分析图到底有啥用学会在图上迅速定位这些关键阀件,你的排查速度能够加快一倍有余。开展第一步操作,将故障分析图取出,依据实物寻觅液压站的主油路。甭等舵机出现故障不能正常运转了才回忆起这张图。
2026-03-25
舵机控制算法有哪些?这3种主流方案帮你快速选型
脉宽调制即PWM,这是舵机控制方式里最经典且最基础的那种。这样的一种反馈机制,是PWM控制没有办法与之相比较的,并且还是高端智能机器人舵机所必备的配置。许多朋友于选型之际,时常在模拟舵机与数字舵机之间陷入纠结,实际上它们的核心差异之处便在于驱动方面。
2026-03-25
51单片机舵机反转控制方法
舵机反转原理是啥51单片机输出的是5V高电平,多数舵机均可接受,然而要是你所使用的是3.此外,存在着一些高端舵机是支持总线控制的,如此便更为简便了,直接发送一个反转指令即可,只不过51单片机运用这种舵机的情形比较少见,咱们先将基础的弄清楚明白。
2026-03-25
船舶舵机失灵别慌!应急操作两步搞定
舵机失灵先别慌在这个时候,你需要借助应急舵的操纵手柄,或者是手轮来对舵机进行控制。
2026-03-24
1
2
3
搜索
热门文章
伟创动力荣获央视报道关注 | 微型舵机赋能机器人产业出海
2026-03-24
伟创动力邀您参展2026中国家电及消费电子博览会(AWE)
2026-03-10
2024 Kpower广东省优质高新技术产品
2025-12-24
推荐文章
Kpower入选2025年东莞市首批重点人工智能企业
2025-12-24
Kpower荣获Dreame“先锋技术突破奖”
2025-04-22
Kpower获评东莞市工程技术中心
2025-04-15
经典文章
热门标签
转向舵机如何接线在遥控上使用
转动视角功能什么意思
模型舵机安装教程
大功率舵机
智能家居
转向舵机工作原理
可以旋转角度的视频播放器
舵机的作用和特点是什么
舵机调速程序
无人机
奔腾b70发动机线束图
舵机连接件
舵机的作用
舵机速度控制原理细解
线束图
副翼舵机安装
控制舵机的arduino程序
舵机速度控制程序
丰田2rz分电器线束图
舵机怎么接
为所有产品提供动力单元
联系伟创动力产品专家,为你的产品推荐合适的驱动系统所需部件。
提供需求
发送邮件
在线留言
WhatsApp
+86 0769 8399 3238
kpowerMap