本网站使用Cookie来确保您获得最佳体验。继续浏览本网站即表示您同意我们使用Cookie。了解更多关于Cookie的使用和隐私政策。
产品中心
舵机
无刷电机
减速电机
定制驱动模组
高性能无刷舵机
高压空心杯舵机
智能机器人舵机
数码标准舵机
微型迷你舵机
扁舵机 矮舵机
超大扭矩舵机
IP67防水舵机
485&CAN总线舵机系统
EC 无刷电机
无人机动力电机
准直驱机器人关节电机
无刷云台电机
无刷轮毂电机
行星减速电机
正齿减速电机
无刷丝杆电机
定制减速电机
智能家居舵机
消费电子舵机
车载运动机构
工业自动化电机
医疗器械电机
解决方案
"创新是企业的生命,伟创动力在未来将会不断为社会提供更多伟大的创新服务!"
智能家居
无人机
机器人
汽车电子
消费电子
工业自动化
科学农业
新闻资讯
"现在是一个井喷式科技时代,伟创动力也要时刻紧跟时代的脉搏,不断为未来科技做好准备!"
客户案例
展会活动
企业动态
行业资讯
技术支持
关于我们
“企业和行业都会面临困境和痛点,每个阶段大家既是竞争也是帮衬,时代的脚步需要互相推动!”
认识伟创动力
技术创新
精益智造
品质保障
定制服务
联系我们
English
China-中文简体
{notrans} {/notrans}
{notrans}
China-中文简体
{/notrans}
Cancel
Products
舵机
高性能无刷舵机
高压空心杯舵机
智能机器人舵机
数码标准舵机
微型迷你舵机
扁舵机 矮舵机
超大扭矩舵机
IP67防水舵机
485&CAN总线舵机系统
无刷电机
EC 无刷电机
无人机动力电机
准直驱机器人关节电机
无刷云台电机
无刷轮毂电机
减速电机
行星减速电机
正齿减速电机
无刷丝杆电机
定制减速电机
定制驱动模组
智能家居舵机
消费电子舵机
车载运动机构
工业自动化电机
医疗器械电机
隐私政策
使用条款
产品中心
舵机
无刷电机
减速电机
定制驱动模组
ODM/OEM 服务
解决方案
智能家居
无人机
机器人
汽车电子
消费电子
工业自动化
科学农业
首页
>
行业资讯
>
定制驱动模组
Kpower Drive Product Matrix
Servo | BLDC | Gear Motor | Custom Drive Unit
More Details
Leading R&D Capabilities
End-to-end drive module solutions with customization for end-user applications.
More Details
Smart Vehicle Cabin
Micro Drive Systems in the central control screen, ceiling screen, cockpit speaker, DMS/OMS camera
More Details
今日焦点
搜索
舵机
无刷电机
减速电机
定制驱动模组
舵机代码移植后不能用?教你三步排查硬件和软件问题
要是舵机转动了,那就无疑表明硬件自身总体而言是完好没有故障的,而出现的问题极有可能是在软件移植这一方面。不同单片机型号移植要修改哪些地方此外,不同系列单片机的Flash与RAM大小存在差异,原先使用的大数组也许装不下,得对代码大小予以。
2026-02-25
船模舵机角度能调吗?怎么调整舵机角度?
船模舵机可以调整角度么舵机角度到底能不能调怎么把舵机的角度调小一点换舵机能解决角度范围问题吗用遥控器微调让船走直线这实际上便是舵机的中位与船舵的机械中位未对齐。寻找到对应的通道微调按键,一下一下地按,直至船能够在没有操作的状况下直线航行。
2026-02-24
舵机正负极接反会烧吗?一文看懂损坏原因和防范方法
是不是你也曾担忧在舵机那儿正负极被不小心弄反,那东西会不会一下子直接坏掉报废?舵机正负极接反会烧吗简单来讲,你要是把舵机的电源正负极接反,对于绝大多数普通舵机而言,那就相当于给它判了“死刑”。你可曾因于接线之前未曾细心确认,进而亲手致使舵机出现问题?
2026-02-24
智能小车舵机和直驱区别,有无舵机的转向对比
市场上存在一些搭载舵机的小车,还有一些是直接运用电机去操控方向,而这两者实际到底究竟差在了哪里,到底究竟哪一种才更为适配我的项目?为什么智能小车转向考虑舵机要达成真正的“智能”,像自动寻迹、避障,就必定得精确控制车轮的转向角度。无舵机的小车怎么实现转弯不同舵机类型对小车性能有什么...
2026-02-23
舵机和电机的区别 单片机控制选型必看,搞懂舵机与普通电机的区别
舵机到底是啥跟普通电机有何不同这儿便谈到核心之处了,操控普通直流电机,你须得运用H桥驱动芯片,借助单片机给出高电平或者低电平去控制正反转,进而经由PWM的占空比来调节速度,若想知晓当前速度还得增添编码器。
2026-02-23
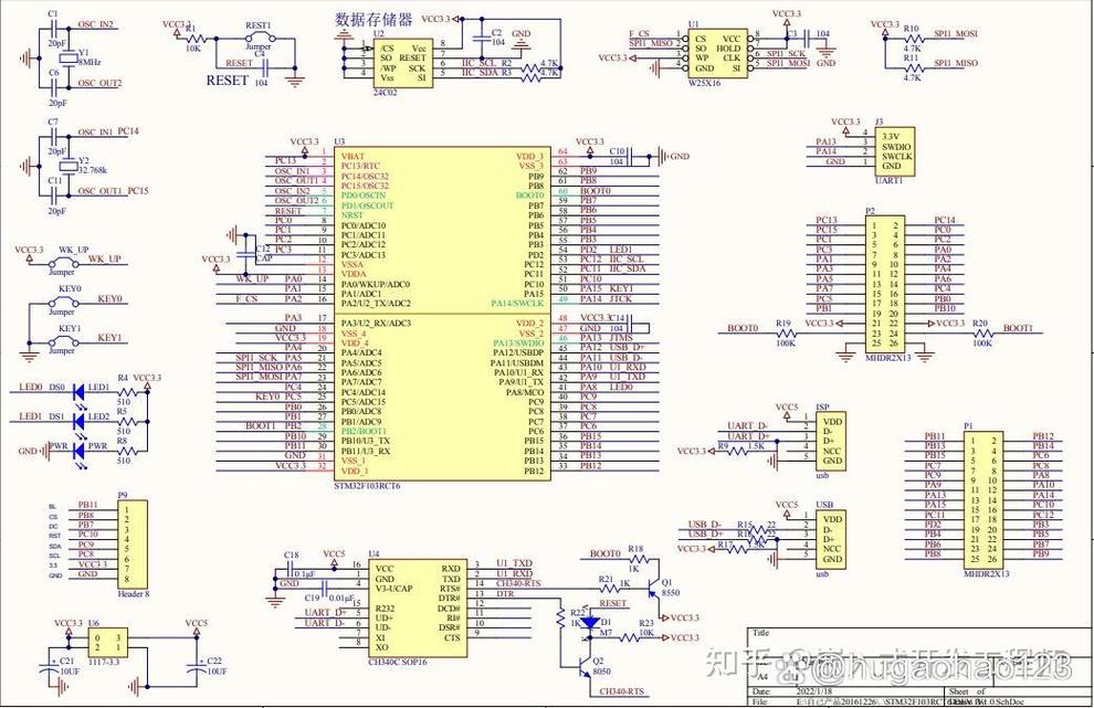
舵机控制电路板原理图解,大白话教你秒懂
舵机控制电路原理图到底怎么看平常来说,原理图中心位置那个最大的芯片,像某某单片机或者专门的舵机控制芯片,便是“大脑”。如何自己动手看懂一块舵机控制板要是你想要亲自动手去做一个项目,是不是想要立刻去某宝搜索一下“舵机驱动板”或者“舵机控制开发板”,瞧瞧它们的原理图去练练手呢?
2026-02-23
舵机控制算法调参实战:解决抖动与响应慢问题
别着急,这实际上并非是你的舵机出现故障,而是控制尚未调整合适。与此同时,你得去查看一下你自己的代码,要尽可能地减少在中断里面进行浮点运算,因为这些操作都是很耗费时长的,可以预先把参数计算好然后存储起来放置,又或者采用查表法,从而能够让舵机响应得如同猎豹那般快速敏捷一样流畅无误。
2026-02-23
13
14
15
搜索
热门文章
伟创动力荣获央视报道关注 | 微型舵机赋能机器人产业出海
2026-03-24
伟创动力邀您参展2026中国家电及消费电子博览会(AWE)
2026-03-10
2024 Kpower广东省优质高新技术产品
2025-12-24
推荐文章
Kpower入选2025年东莞市首批重点人工智能企业
2025-12-24
Kpower荣获Dreame“先锋技术突破奖”
2025-04-22
Kpower获评东莞市工程技术中心
2025-04-15
经典文章
热门标签
转向舵机如何接线在遥控上使用
转动视角功能什么意思
模型舵机安装教程
大功率舵机
舵机pd参数怎么调
智能家居
转向舵机工作原理
可以旋转角度的视频播放器
舵机的作用和特点是什么
舵机调速程序
参数设置舵机怎么设置
无人机
奔腾b70发动机线束图
舵机连接件
舵机的作用
舵机速度控制原理细解
舵机中值怎么设置
线束图
副翼舵机安装
控制舵机的arduino程序
为所有产品提供动力单元
联系伟创动力产品专家,为你的产品推荐合适的驱动系统所需部件。
提供需求
发送邮件
在线留言
WhatsApp
+86 0769 8399 3238
kpowerMap